【石油产业】石油化工简介 石油产业链图解
石油化工简介
石油(页岩气,天然气)是由远古时期的动植物尸体经过万年的高温压形成的,下文统一简称石油产业。
石油产业链
石油产业一般分为上游,中游,下游三个部分。上游的任务主要将地下的石油开采出来,一般分为勘探、开发、生产、三个环节,中游的任务主要进行石油的储运,下游的任务是石油的加工和销售,具体包括:炼油、化工、销售三个环节。
上游
勘探:查明矿藏分布情况,测定矿体的位置、形状、大小、成矿规律、岩石性质、地质构造等情况。
1.地震勘探:用炸药等震源激发地震波,根据地震波携带的信息勘探石油;
2.重磁电勘探:利用地下重磁电的异常来勘探石油;
3.地质勘探:应用地质理论,分析石油应该存在的位置来进行石油勘探;
4.钻井:直接打井进行石油勘探。
开采
一次采油:仅依靠天然能量开采原油的方法。天然能量包括:天然水驱、弹性能量驱、溶解气驱、气驱及重力驱等。人类对油藏的作用只限于钻出油井,为油流提供通道。
二次采油:随着地层压力的下降,需要用注水补充地层压力的办法来采油,称为二次采油。
钻井开发:是利用机械设备,将地层钻成具有一定深度的圆柱形孔眼的工程 采油工程:是油田开采过程中根据开发目标通过生产井和注入井对油藏采取的各项工程技术措施的总称
中游
油气储运工程是连接油气生产、加工、分配、销售诸环节的纽带,它主要包括油气田集输、长距离输送管道、储存与装卸及城市输配系统等。
下游
炼油:是将原油或其他油脂进行蒸馏改变分子结构的一种工艺,也就是把原油等裂解为符合内燃机使用的煤油、汽油、柴油、重油等燃料。炼油就是把原油加工 就是炼油。原油经过加工变成:成品油(汽油、柴油、航空煤油)、石脑油、渣油、沥青等 化工:各种石化工产品。 销售:石油石化销售公司等。形成、勘探、开采、储运、炼油、化工 销售。
石油产品又称油品,主要包括各种燃料油(汽油、煤油、柴油等)和润滑油以及液化石油气、石油焦碳、石蜡、沥青等。生产这些产品的加工过程常被称为石油炼制,简称炼油。石油化工产品以炼油过程提供的原料油进一步化学加工获得。
生产石油化工产品的第一步是对原料油和气(如丙烷、汽油、柴油等)进行裂解,生成以乙烯、丙烯、丁二烯、苯、甲苯、二甲苯为代表的基本化工原料。第二步是以基本化工原料生产多种有机化工原料(约200种)及合成材料(塑料、合成纤维、合成橡胶)。这两步产品的生产属于石油化工的范围。有机化工原料继续加工可制得更多品种的化工产品,习惯上不属于石油化工的范围。在有些资料中,以天然气、轻汽油、重油为原料合成氨、尿素,甚至制取硝酸也列入石油化工。
石油产品可分为:石油燃料、石油溶剂与化工原料、润滑剂、石蜡、石油沥青、石油焦等6类。其中,各种燃料产量最大,约占总产量的90%;各种润滑剂品种最多,产量约占5%。各国都制定了产品标准,以适应生产和使用的需要。从炼油出发的产业链见图1。

图1
石油馏分(主要是轻质油)通过烃类裂解、裂解气分离可制取乙烯、丙烯、丁二烯等烯烃和苯、甲苯、二甲苯等芳烃,芳烃亦可来自石油轻馏分的催化重整。石油轻馏分和天然气经蒸汽转化、重油经部分氧化可制取合成气,进而生产合成氨、合成甲醇等。随着科学技术的发展,上述烯烃、芳烃经加工可生产包括合成树脂、合成橡胶、合成纤维等高分子产品及一系列制品,如表面活性剂等精细化学品,因此石油化工的范畴已扩大到高分子化工和精细化工的大部分领域。其中石脑油进一步裂解产生的产品见图2、图3。

图2

图3
从烯烃出发,可生产各种醇、酮、醛、酸类及环氧化合物等。乙烯产业链见图4,丙烯产业链见图5。

图4

图5
C4馏分主要为含四个碳原子的多种烷烃、烯烃、二烯烃和炔烃的混合物。C4馏分是一种可燃气体,但通常是以液态贮运。可作为燃料,或经分离作基本有机化工原料。具有工业意义的C4烃主要组分有正丁烷、异丁烷、1-丁烯、异丁烯、1,3-丁二烯、C4炔烃等,其中以1,3-丁二烯最为重要。C4馏分广泛用作燃料和化工基础原料,见图6。

图6
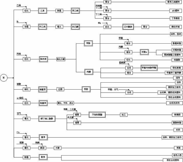
另一石油裂解的产物是苯。苯在工业上用途很广,接触的行业主要有染料工业,用于农药生产及香料制作的原料等,苯又作为溶剂和粘合剂用于造漆、喷漆、制药、制鞋及苯加工业、家具制造业等。苯产业链见图7。
本文地址: https://www.xsyiq.com/35058.html
网站内容如侵犯了您的权益,请联系我们删除。